Hem / Nyheter

Nyheter

Vilka är de vanligaste orsakerna till skador på motorcykelkedjan

Vilka är de vanligaste orsakerna till skador på motorcykelkedjan

Motorcykelkedja , som en vanlig transmissionskraftanordning, använder en hyperbolisk båge-"kedja"-design för att minska friktionen. Den använ...

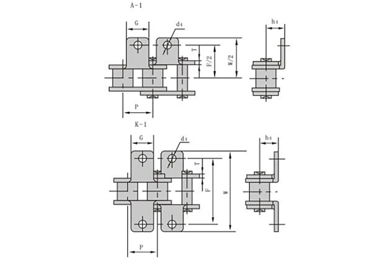
Vilka är delarna av rullkedjan

Vilka är delarna av rullkedjan

Vilka är delarna av Rullkedja ? 1. Stiftaxel: ett smalt cylindriskt element som används som rotationsaxel för ett kedjegång...

Drivkedjetillverkare introducerar förhållandet mellan kedja och kedjehjul

Drivkedjetillverkare introducerar förhållandet mellan kedja och kedjehjul

Drivkedja Tillverkarna introducerade att kedjehjulet drivs av en kedja, och modellenheten är vanligtvis på engelska. Det finns enkelrad...

Agricultural Chain Manufacturer introducerar beredningen av kedjan

Agricultural Chain Manufacturer introducerar beredningen av kedjan

Lantbrukskedja tillverkaren inför att kedjan måste vara förberedd för att kontrollera om det finns skruvar i kedjan innan start, och at...

Transmissionskedjans tillverkare presenterar hur man underhåller kedjan

Transmissionskedjans tillverkare presenterar hur man underhåller kedjan

När kedjan utsätts för rostskyddsbehandling för att lösa operationsprocessen, är det nödvändigt att först torka av betningspasta på dess yta och...

Varför har bladkedjan vanliga problem med avvikelse

Varför har bladkedjan vanliga problem med avvikelse

Med den kontinuerliga utvecklingstrenden inom området för kedja av rostfritt stål har kedjeprodukter i rostfritt stål också använts i stor utstr...

Dagligt underhållsdetaljer av industrikedjan

Dagligt underhållsdetaljer av industrikedjan

Industriell kedja är fördelar och dagliga underhållsdetaljer: 1. Om drivkedjan är ur riktningen, justera spännax...

Silent Chain Manufacturers introducerar hur man hanterar felet med kedjehjul i rostfritt stål på rätt sätt

Silent Chain Manufacturers introducerar hur man hanterar felet med kedjehjul i rostfritt stål på rätt sätt

Tyst kedja Tillverkare introducerar hur man hanterar felet i kedjehjulet i rostfritt stål korrekt? Observera den horiso...

Tillverkare av motorcykelkedjor introducerar vanliga felsökningsmetoder för kedjehjul

Tillverkare av motorcykelkedjor introducerar vanliga felsökningsmetoder för kedjehjul

Motorcykelkedja Tillverkare introducerar vanliga felsökningsmetoder för kedjehjulet: 1. Orsaken till den ojämna bärighe...

Roller Chain Manufacturers introducerar hur man korrekt hanterar felen i kedjehjulet

Roller Chain Manufacturers introducerar hur man korrekt hanterar felen i kedjehjulet

När kedjehjulet i rostfritt stål har ett fel bör vi inte skynda oss att lösa det. Låt oss följa Rullkedja Tillverkare för att korrekt...

Tillverkare av drivkedjor introducerar hur man snabbt tar bort skadade kedjehjulslager

Tillverkare av drivkedjor introducerar hur man snabbt tar bort skadade kedjehjulslager

Drivkedja Tillverkare introducerade hur man snabbt tar bort skadade kedjehjulslager: 1. Ta gradvis bort ändlocken och skruvl...

Tillverkare av jordbrukskedjor introducerar metoden för att välja kedjor

Tillverkare av jordbrukskedjor introducerar metoden för att välja kedjor

Lantbrukskedja tillverkaren introducerar metoden för att välja kedjor: Först och främst är det valet av kedjematerial i rost...