Hem / Nyheter

Nyheter

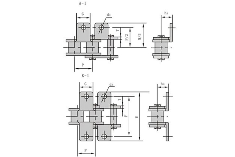
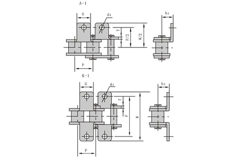
Tillverkare av industriella kedjor introducerar hur man särskiljer typen av kedja

Tillverkare av industriella kedjor introducerar hur man särskiljer typen av kedja

Transportörkedjan är lämplig för bakning av färg, metallbeläggning, produktionsband i fabriker, såsom möbelfabriker, målningsutrustningsfabriker...

Silent Chain Manufacturer introducerar rimliga mätmetoder för kedjor

Silent Chain Manufacturer introducerar rimliga mätmetoder för kedjor

gör det Tyst kedja Tillverkaren introducerar vad är rimliga mätmetoder för kedjor? 1. För att ta bort allt glapp från k...

Tillverkare av motorcykelkedjor introducerar rengöringsmetoden för kedja av rostfritt stål

Tillverkare av motorcykelkedjor introducerar rengöringsmetoden för kedja av rostfritt stål

Motorcykelkedja Tillverkaren introducerar kedja av rostfritt stål som universell transmissionsutrustning. Enligt designschemat för hype...

Tillverkare av rullkedjor introducerar principen för tandprofildesign av kedjehjul

Tillverkare av rullkedjor introducerar principen för tandprofildesign av kedjehjul

Rullkedja Tillverkare introducerar designprinciperna för kedjehjulsprofilen: 1. Formen på kuggprofilen på kedjehjulet: tre-bå...

Tillverkare av drivkedjor introducerar de praktiska färdigheterna hos drev

Tillverkare av drivkedjor introducerar de praktiska färdigheterna hos drev

Drivkedja Tillverkare introducerar de praktiska färdigheterna hos kedjehjul: 1. Tätheten på kedjehjulet bör vara lämplig. Fö...

Försiktighetsåtgärder för användning av jordbrukskedja

Försiktighetsåtgärder för användning av jordbrukskedja

Lantbrukskedja fel kan påverka korrektheten av verktygsrörelsen, och i vissa fall är det den viktigaste faktorn som påverkar bearbetni...

Hur man rensar transmissionskedjan korrekt

Hur man rensar transmissionskedjan korrekt

Du kan också använda varmt tvålvatten eller handsprit, eller använda en kasserad tandborste eller en lite hårdare borste. Skölj direkt med vatten. ...

Tillverkare av transportörkedjor presenterar hur man korrekt underhåller kedjan dagligen

Tillverkare av transportörkedjor presenterar hur man korrekt underhåller kedjan dagligen

Lyftkedjan i rostfritt stål kan justera kedjans längd efter lyftobjektets lyfthöjd. Det är en oumbärlig och viktig lyftanordning för kranen. Det...

Tillverkare av industriella kedjehjul introducerar hanteringstekniker för kedja av kolavlagringar

Tillverkare av industriella kedjehjul introducerar hanteringstekniker för kedja av kolavlagringar

När kedjor av rostfritt stål används i mekanisk utrustning kommer en del smuts oundvikligen att fästas, varav de flesta är kolavlagringar och ol...

Leaf Chain Manufacturers introducerar varför kedjan kommer att gå sönder

Leaf Chain Manufacturers introducerar varför kedjan kommer att gå sönder

Lövkedja Tillverkarna presenterade orsakerna och lösningarna som fick kedjan att gå sönder: 1. Under användningen, på grund a...

Industrikedjetillverkare introducerar egenskaperna hos högkvalitativa kedjor

Industrikedjetillverkare introducerar egenskaperna hos högkvalitativa kedjor

Industriell kedja Tillverkare introducerar egenskaperna hos högkvalitativa kedjor: 1. Bra tillförlitlighet och skydd. T...

Kunskaper om tyst kedjeunderhåll

Kunskaper om tyst kedjeunderhåll

Kedjan är vanligtvis en metalllänk eller ring, som mest används för mekanisk transmission och dragkraft. Låt oss ta en titt på underhållsmetoder...